EN CN
BTB654-15
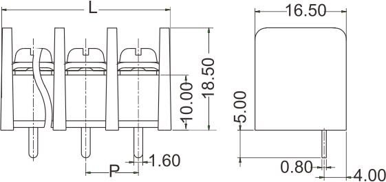
300V/20A/9.525mm

Rated voltage:300 V      Rated vurrent:20 A

Wire Range :12-22 AWG

Pitch:9.525 mm



Poles
2-30
Technical data
Authentication
Business data
Download
Attachments

UL Technical Data

Rated Voltage (V) 300
Overvoltage Category B
Rated Current(A) 20
Wire Range (AWG) 12-22

IEC Technical Data

Material Grop
Overvoltage Category (Ⅲ/3)(KV)
Overvoltage Category(Ⅲ/3)(KV)
Overvoltage Category(Ⅱ/2)(KV)
Contamination Class 3
Contamination Class 2
Contamination Class 2
Rated Voltage (V) 160
Rated Voltage (V) 160
Rated Voltage (V) 320
Rated Surge Voltage (KV) 4
Rated Surge Voltage (KV) 4
Rated Surge Voltage (KV) 4
Rated Connectiong Capacity (mm2) 4
Rated Current(A) 20

Material

Insulation Material PA
Inflammability Class UL94,V-0

Other Data

Stripping Length (mm) 7
Screw (M) 3.5
Torque  (lbf.in) 8
Hole Diameter ∅ 1.9
Pin size 0.8*1.6


Name
Document
Download
Name
Document
Download
Multi-digit picture
2-30
Online booking
Company *
Name *
Telephone *
Submit