Rated voltage:600 V Rated vurrent:30 A
Wire Range :10-16 AWG
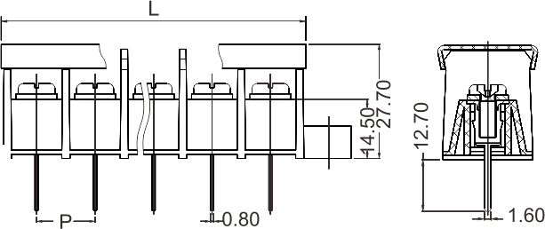
Pitch:14.27 mm
		
	
		
	
		
	
| Rated Voltage (V) | 600 | 
| Overvoltage Category | B | 
| Rated Current(A) | 30 | 
| Wire Range (AWG) | 10-16 | 
| Material Grop | Ⅰ | 
| Overvoltage Category (Ⅲ/3)(KV) | Ⅲ | 
| Overvoltage Category(Ⅲ/3)(KV) | Ⅲ | 
| Overvoltage Category(Ⅱ/2)(KV) | Ⅱ | 
| Contamination Class | 3 | 
| Contamination Class | 2 | 
| Contamination Class | 2 | 
| Rated Voltage (V) | 320 | 
| Rated Voltage (V) | 320 | 
| Rated Voltage (V) | 630 | 
| Rated Surge Voltage (KV) | 6 | 
| Rated Surge Voltage (KV) | 6 | 
| Rated Surge Voltage (KV) | 6 | 
| Rated Connectiong Capacity (mm2) | 4 | 
| Rated Current(A) | 30 | 
| Insulation Material | PBT | 
| Inflammability Class | UL94,V-0 | 
| Stripping Length (mm) | 9 | 
| Screw (M) | 4 | 
| Torque (lbf.in) | 13 | 
| Hole Diameter ∅ | 2 | 
| Pin size | 0.8*1.6 | 
	
	
	
 
                                
                             
                        